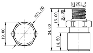
Fuel Rail Plug Pressure Relief Vent

 

Part No.
HPS-JX-D02-M12x1.5-10
By object size
<0.40μm
Material
SUS304
Temperature resistance
-40℃~150℃
Waterproof Level
IP68
Long termoperating
temperature range
-40℃~120℃
Dust Level
IP6
Flame retardant grade
V0
Explosion proof
opening pressure
5-350KPA(Tolerance±5)
Installation torque
0.8~1N.m

 

       The one-way valve series is a high-tech product designed and developed with a new concept. Through careful design, it integrates waterproof, dust-proof, pressure relief, and effective functions, effectively solving damage caused by high-pressure phenomena.
      The main material of the one-way valve M12 is made of 304 stainless steel through CNC precision machining. 304 stainless steel has good expansion resistance, surface wear resistance, beautiful, clean, bright, long-lasting, scratch free, never rusted, never broken. It has high temperature resistance, non combustion, strong impact resistance, high reliability, simple installation, high waterproof performance, and fast pressure relief. When the pressure inside the chamber is greater than or equal to the explosion value set by the one-way valve, the valve core inside the one-way valve will  open for pressure relief, preventing the chamber and internal equipment from expanding, deforming, exploding, and other phenomena, thereby providing protection for the equipment or system.
        The one-way valve M12 has high precision in the detonation point and can automatically reset and continue to be used after blasting. When the pressure inside the chamber does not reach the set detonation value, the one-way valve core is tightly closed, and external water, gas, and dust cannot enter, maintaining good operation inside the equipment and greatly improving the product service life. When the set pressure relief value is not reached, the fluid or gas inside the chamber will not leak. The one-way valve series has the advantages of 100% inspection before shipment to ensure product quality. It can be widely used in fields such as shipyards, power plants, metallurgy, new energy vehicles, probabilistic energy storage, and various outdoor electrical equipment, meeting the needs of various working conditions.

 

Copyright 2009 - 2012 Shanghai Kinglok Electrical Material Co.,Ltd. All rights reserved.
Addr:Building 3,No. 380,Minmin Road,Pudong,Shanghai,China
Tel :+86 21-58381118,58991538,58350020,50478011 Fax :+86 21-50211732 E-mail: info@kinglok.com