Safety One-way Valve

 

Part No.
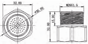
HPS-JX-D10-M26x1.5-15
By object size
<0.40μm
Material
Aluminum 6061
Temperature resistance
-40℃~150℃
Dust Level
IP68
Long termoperating
temperature range
-40℃~120℃
Dust Level
IP6
Flame retardant grade
V0
Explosion proof
opening pressure
5-50KPA(Tolerance±5)
Installation torque
0.8~1N.m

 

       A one-way valve is a high-tech product designed and developed with a new concept. Through careful design, it integrates waterproof, dustproof, pressure relief, and effective functions, effectively solving damage caused by high-pressure phenomena.
       The main material of the one-way valve M26 is formed by CNC precision machining of aluminum alloy, and the surface has been treated with superhard and anti-corrosion, achieving a surface hardness of HV600 or above. It has wear resistance, high temperature resistance, non combustible, beautiful, clean, bright, long-lasting durability, strong impact resistance, high reliability, and simple installation. When high-pressure gas gradually rises in pipelines or containers due to system operation or shutdown, the valve can automatically open, release high-pressure gas, and cause pipeline and other equipment to form, explode, and other phenomena to protect equipment safety.
      The M26 one-way valve has high precision in the ignition point and can automatically reset and continue to be used after blasting. When the pressure inside the chamber does not reach the set detonation value, the one-way valve core is tightly closed, and external water, gas, and dust cannot enter, maintaining good operation inside the equipment and greatly improving the product service life. When the set pressure relief value is not reached, the fluid or gas inside the chamber will not leak. The one-way valve series has the advantages of 100% inspection before shipment to ensure product quality. It can be widely used in fields such as drainage, shipyards, power plants, metallurgy, new energy vehicles, probabilistic energy storage, and various outdoor electrical equipment, meeting the needs of various working conditions.

 

Copyright 2009 - 2012 Shanghai Kinglok Electrical Material Co.,Ltd. All rights reserved.
Addr:Building 3,No. 380,Minmin Road,Pudong,Shanghai,China
Tel :+86 21-58381118,58991538,58350020,50478011 Fax :+86 21-50211732 E-mail: info@kinglok.com