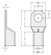
FC型紫铜管端子(适用于软线) FC-Type Copper Tube Terminal
 |
材质:紫铜
表面处理:镀锡
Unit:mm |
|
|
|
|
Part No.
|
Cable Size (mm2)
|
T
|
T1
|
d2
|
W
|
L
|
F
|
F1
|
E
|
ΦD
|
Φd
|
|
KJFC-10-5
|
10
|
1.0
|
1.6
|
5.3
|
11.5
|
30.0
|
14.5
|
7.0
|
12.0
|
7.0
|
5.0
|
|
KJFC-10-6
|
1.6
|
6.4
|
11.5
|
30.0
|
14.5
|
7.0
|
|
KJFC-10-8
|
1.4
|
8.4
|
11.5
|
30.0
|
14.5
|
7.0
|
|
KJFC-16-5
|
16
|
1.5
|
2.7
|
5.3
|
13.0
|
34.0
|
16.5
|
7.5
|
14.0
|
8.9
|
5.9
|
|
KJFC-16-6
|
2.7
|
6.4
|
13.0
|
34.0
|
16.5
|
7.5
|
|
KJFC-16-8
|
2.7
|
8.4
|
13.0
|
34.0
|
16.5
|
7.5
|
|
KJFC-16-10
|
2.1
|
10.5
|
16.0
|
38.0
|
19.5
|
8.0
|
15.0
|
|
KJFC-16-12
|
1.7
|
13.0
|
20.0
|
45.0
|
22.5
|
11.0
|
19.0
|
|
KJFC-25-5
|
25
|
1.5
|
2.8
|
5.3
|
16.0
|
39.0
|
18.0
|
8.5
|
17.0
|
11.0
|
8.0
|
|
KJFC-25-6
|
2.8
|
6.4
|
16.0
|
39.0
|
18.0
|
8.5
|
17.0
|
|
KJFC-25-8
|
2.8
|
8.4
|
16.0
|
39.0
|
18.0
|
8.5
|
17.0
|
|
KJFC-25-10
|
2.8
|
10.5
|
17.0
|
42.0
|
20.0
|
9.5
|
18.0
|
|
KJFC-25-12
|
2.2
|
13.0
|
20.0
|
45.0
|
23.0
|
11.0
|
18.0
|
|
KJFC-35-6
|
35
|
1.75
|
3.4
|
6.4
|
18.0
|
47.0
|
19.0
|
9.0
|
22.0
|
12.5
|
9.0
|
|
KJFC-35-8
|
3.4
|
8.4
|
18.0
|
47.0
|
19.0
|
9.0
|
|
KJFC-35-10
|
3.4
|
10.5
|
18.0
|
47.0
|
19.0
|
9.0
|
|
KJFC-35-12
|
3.0
|
13.0
|
20.0
|
49.5
|
23.0
|
9.0
|
|
KJFC-50-6
|
50
|
1.75
|
3.4
|
6.4
|
21.0
|
49.5
|
21.5
|
10.0
|
24.0
|
14.5
|
11.0
|
|
KJFC-50-8
|
3.4
|
8.4
|
21.0
|
49.5
|
21.5
|
10.0
|
24.0
|
|
KJFC-50-10
|
3.4
|
10.5
|
21.0
|
49.5
|
21.5
|
10.0
|
24.0
|
|
KJFC-50-12
|
3.0
|
13.0
|
23.0
|
51.5
|
23.0
|
11.0
|
23.0
|
|
KJFC-70-8
|
70
|
2.0
|
3.9
|
8.5
|
23.0
|
51.5
|
24.0
|
11.0
|
27.0
|
17.0
|
13.0
|
|
KJFC-70-10
|
3.9
|
10.5
|
24.5
|
56.5
|
24.0
|
11.0
|
|
KJFC-70-12
|
3.9
|
13.0
|
24.5
|
56.5
|
24.0
|
11.0
|
|
KJFC-70-14
|
3.5
|
15.0
|
24.5
|
56.5
|
28.5
|
14.0
|
|
KJFC-70-16
|
3.5
|
17.0
|
26.5
|
64.0
|
28.5
|
14.0
|
|
KJFC-95-8
|
95
|
2.5
|
4.9
|
8.4
|
28.5
|
68.5
|
30.0
|
14.5
|
30.0
|
20.0
|
15.0
|
|
KJFC-95-10
|
10.5
|
|
KJFC-95-12
|
13.0
|
|
KJFC-95-14
|
4.7
|
15.0
|
|
KJFC-95-16
|
17.0
|
|
KJFC-120-10
|
120
|
2.8
|
5.5
|
10.5
|
32.0
|
72.5
|
31.0
|
15.0
|
31.5
|
22.5
|
16.9
|
|
KJFC-120-12
|
13.0
|
|
KJFC-120-14
|
15.0
|
|
KJFC-120-16
|
17.0
|
|
KJFC-150-10
|
150
|
3.0
|
5.8
|
10.5
|
35.5
|
80.0
|
31.5
|
15.0
|
37.0
|
25.0
|
19.0
|
|
KJFC-150-12
|
13.0
|
|
KJFC-150-14
|
15.0
|
|
KJFC-150-16
|
17.0
|
|
KJFC-185-10
|
185
|
3.5
|
6.8
|
11.0
|
40.0
|
86.0
|
31.0
|
15.0
|
42.0
|
28.0
|
21.0
|
|
KJFC-185-12
|
13.0
|
|
KJFC-185-14
|
15.0
|
|
KJFC-185-16
|
17.0
|
|
KJFC-240-10
|
240
|
3.75
|
7.3
|
10.5
|
42.0
|
94.5
|
37.0
|
17.0
|
43.0
|
30.0
|
22.5
|
|
KJFC-240-12
|
13.0
|
|
KJFC-240-14
|
15.0
|
|
KJFC-240-16
|
17.0
|
|
KJFC-300-12
|
300
|
4.0
|
8.0
|
13.0
|
47.0
|
115.0
|
44.0
|
18.0
|
57.0
|
33.0
|
25.0
|
|
KJFC-300-14
|
15.0
|
|
KJFC-300-16
|
17.0
|
|
KJFC-300-20
|
21.0
|
|
KJFC-400-12
|
400
|
4.5
|
9.0
|
13.0
|
55.0
|
124.0
|
48.0
|
19.0
|
61.0
|
39.0
|
30.0
|
|
KJFC-400-14
|
15.0
|
|
KJFC-400-16
|
17.0
|
|
KJFC-400-20
|
21.0
|
|
