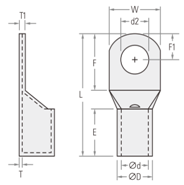
SC型紫铜管端子(适用于硬线) SC-Type Copper Tube Terminal
 |
材质:紫铜
表面处理:镀锡
Unit:mm |
|
|
|
|
Part No.
|
Cable Size (mm2)
|
T
|
T1
|
d2
|
W
|
L
|
F
|
F1
|
E
|
ΦD
|
Φd
|
|
KJSC-1.5-3
|
1.5
|
0.6
|
0.6
|
3.2
|
8.0
|
18.0
|
10.0
|
4.0
|
7.0
|
3.0
|
1.8
|
|
KJSC-1.5-4
|
0.6
|
4.3
|
8.0
|
18.0
|
10.5
|
4.0
|
|
KJSC-1.5-5
|
0.6
|
5.3
|
8.0
|
18.0
|
10.5
|
4.0
|
|
KJSC-2.5-4
|
2.5
|
0.7
|
0.8
|
4.3
|
8.0
|
20.0
|
11.0
|
5.2
|
7.0
|
4.0
|
2.4
|
|
KJSC-2.5-5
|
0.8
|
5.3
|
8.0
|
20.0
|
12.0
|
5.2
|
|
KJSC-2.5-6
|
0.8
|
6.4
|
10.0
|
20.0
|
12.0
|
5.2
|
|
KJSC-4-5
|
4
|
0.7
|
1.0
|
5.3
|
9.0
|
21.0
|
12.0
|
4.3
|
7.5
|
4.95
|
3.5
|
|
KJSC-4-6
|
1.0
|
6.4
|
10.0
|
21.0
|
12.0
|
4.3
|
|
KJSC-6-4
|
6
|
0.7
|
1.1
|
4.3
|
8.0
|
26.0
|
15.0
|
5.3
|
8.8
|
5.5
|
4.1
|
|
KJSC-6-5
|
1.0
|
5.3
|
10.0
|
26.0
|
15.0
|
5.3
|
|
KJSC-6-6
|
1.0
|
6.4
|
11.0
|
26.0
|
15.0
|
5.3
|
|
KJSC-6-8
|
0.9
|
8.4
|
12.0
|
27.0
|
15.0
|
5.3
|
|
KJSC-10-5
|
10
|
0.9
|
1.5
|
5.3
|
11.5
|
26.5
|
14.0
|
5.8
|
9.5
|
7.0
|
5.2
|
|
KJSC-10-6
|
1.5
|
6.4
|
11.8
|
26.5
|
14.0
|
5.8
|
|
KJSC-10-8
|
1.2
|
8.4
|
12.8
|
26.5
|
14.5
|
6.8
|
|
KJSC-16-6
|
16
|
1.0
|
1.65
|
6.4
|
12.0
|
32.4
|
17.5
|
7.1
|
11.5
|
8.0
|
6.0
|
|
KJSC-16-8
|
1.5
|
8.4
|
13.3
|
32.4
|
17.5
|
7.5
|
|
KJSC-16-10
|
1.45
|
10.5
|
15.0
|
32.4
|
18.0
|
7.5
|
|
KJSC-16-12
|
1.0
|
13.0
|
18.5
|
38.0
|
20.0
|
8.5
|
13.0
|
|
KJSC-25-6
|
25
|
1.0
|
2.0
|
6.4
|
14.0
|
34.0
|
18.0
|
7.8
|
12.0
|
9.5
|
7.5
|
|
KJSC-25-8
|
1.9
|
8.4
|
14.0
|
34.0
|
18.0
|
8.3
|
|
KJSC-25-10
|
1.6
|
10.5
|
15.7
|
34.0
|
18.5
|
8.3
|
|
KJSC-25-12
|
1.2
|
1.85
|
13.0
|
18.0
|
41.0
|
22.5
|
9.5
|
13.3
|
9.9
|
|
KJSC-25-14
|
1.7
|
15.0
|
19.0
|
41.0
|
22.5
|
10.0
|
|
KJSC-35-6
|
35
|
1.3
|
2.5
|
6.4
|
16.0
|
36.0
|
18.5
|
8.0
|
13.5
|
11.0
|
8.4
|
|
KJSC-35-8
|
6.4
|
16.0
|
36.0
|
18.5
|
8.0
|
|
KJSC-35-10
|
10.5
|
16.0
|
37.0
|
18.5
|
8.0
|
|
KJSC-35-12
|
1.5
|
13.0
|
18.0
|
44.0
|
23.0
|
10.0
|
15.0
|
11.4
|
|
KJSC-50-6
|
50
|
1.45
|
2.8
|
6.4
|
18.0
|
43.0
|
22.0
|
9.8
|
16.0
|
12.5
|
9.6
|
|
KJSC-50-8
|
6.4
|
|
KJSC-50-10
|
10.5
|
|
KJSC-50-12
|
13.0
|
|
KJSC-70-6
|
70
|
1.5
|
3.0
|
6.4
|
22.0
|
51.0
|
24.0
|
11.0
|
19.5
|
15.0
|
12.0
|
|
KJSC-70-8
|
8.4
|
|
KJSC-70-10
|
10.5
|
|
KJSC-70-12
|
13.0
|
|
KJSC-95-8
|
95
|
1.8
|
3.6
|
8.4
|
24.6
|
55.5
|
27.3
|
11.6
|
20.0
|
17.2
|
13.6
|
|
KJSC-95-10
|
10.5
|
|
KJSC-95-12
|
13.0
|
|
KJSC-95-14
|
15.0
|
|
KJSC-95-16
|
17.0
|
25.0
|
57.0
|
28.0
|
13.2
|
|
KJSC-120-10
|
120
|
2.0
|
3.9
|
10.5
|
29.0
|
63.0
|
29.0
|
13.0
|
23.0
|
20.0
|
16.0
|
|
KJSC-120-12
|
13.0
|
|
KJSC-120-14
|
15.0
|
|
KJSC-120-16
|
17.0
|
|
KJSC-150-8
|
150
|
2.1
|
4..1
|
8.5
|
30.0
|
68.5
|
31.5
|
15.5
|
24.5
|
21.0
|
16.8
|
|
KJSC-150-10
|
11.0
|
|
KJSC-150-12
|
13.0
|
|
KJSC-150-14
|
15.0
|
|
KJSC-150-16
|
17.0
|
|
KJSC-185-10
|
185
|
2.5
|
5.0
|
11.0
|
34.5
|
79.0
|
35.5
|
17.0
|
30.5
|
23.7
|
18.7
|
|
KJSC-185-12
|
13.0
|
|
KJSC-185-14
|
15.0
|
|
KJSC-185-16
|
17.0
|
|
KJSC-240-12
|
240
|
2.5
|
5.0
|
13.0
|
37.5
|
92.0
|
41.0
|
18.7
|
35.0
|
26.0
|
21.0
|
|
KJSC-240-14
|
15.0
|
|
KJSC-240-16
|
17.0
|
|
KJSC-240-18
|
19.0
|
|
KJSC-300-12
|
300
|
3.5
|
6.8
|
13.0
|
44.0
|
102.0
|
45.7
|
21.0
|
41.0
|
30.7
|
23.7
|
|
KJSC-300-14
|
15.0
|
|
KJSC-300-16
|
17.0
|
|
KJSC-300-20
|
21.0
|
|
KJSC-400-12
|
400
|
4.0
|
8.0
|
13.0
|
51.0
|
110.0
|
49.7
|
19.0
|
42.5
|
36.0
|
28.0
|
|
KJSC-400-14
|
15.0
|
|
KJSC-400-16
|
17.0
|
|
KJSC-400-20
|
21.0
|
|
KJSC-500-14
|
500
|
4.5
|
9.0
|
15.0
|
56.0
|
120.0
|
51.0
|
23.5
|
51.0
|
39.0
|
30.0
|
|
KJSC-500-16
|
17.0
|
|
KJSC-500-20
|
21.0
|
|
KJSC-630-14
|
630
|
5.0
|
10.0
|
15.0
|
65.0
|
140.0
|
63.0
|
27.0
|
56.0
|
45.0
|
45.0
|
|
KJSC-630-16
|
17.0
|
|
KJSC-630-20
|
21.0
|
|
